WSERD50-B 20/12 Obstacle Detection
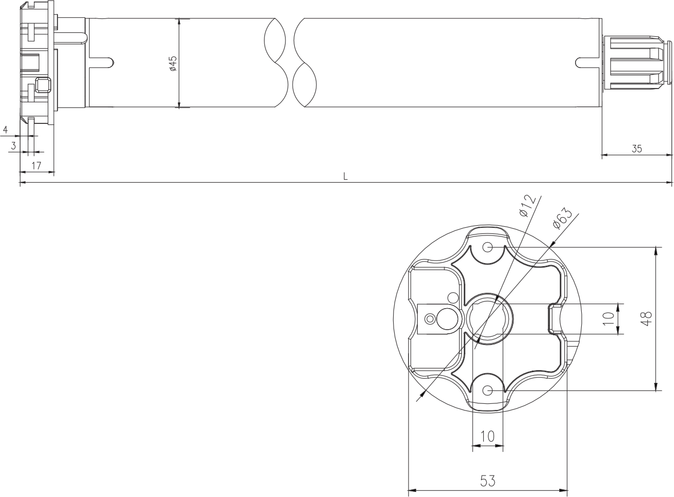
The NEW WSERD50-B 20/12 OD 20Nm version features an obstacle detection (OD) function and has a starhead with an A3438 bracket included. This new motor offering from Alpha features a built-in rechargeable lithium-ion battery, designed for external applications like zip systems and straight drops awnings. A range of charging options, including headbox-mounted charging sockets, side channel charging sockets, or TYB004-U solar panel options are available.
Product Description
Features:
- Ultra quiet motor
- No electrician needed
- 3 adjustable speeds
- OD function can be switched off if not required when setting up side channels.
- 5V USB-C charger required (ALDC 5V 2amp LED)
- Charging options: 1.5m side channel charging port, 150mm head box charging port, 5V solar panel (TYB004-U)
![]()


WSERD50b
| 120V/60Hz | Type 20/12 |
|---|---|
| Rated Torque (N.m) | 20 |
| Output Speed (rpm) | 12 |
| Nominal Consumption (W) | 96 |
| Nominal Voltage (V) | 12 |
| Nominal Current (A) | 8 |
| Running Time (Mins) | 12 |
| Protection Index (IP) | 44 |
| Total Length (in) | 31.5 |
| Maximum Turns | infinity |
| Net Weight (lb) | 5.7 |
![]()
![]()
SAFETY GUIDELINES FOR ALPHA TUBULAR MOTORS
At Alpha Tubular Motors, your safety and the effective operation of our tubular motors with lithium-ion batteries are our top priorities. We kindly ask you to follow these important safety guidelines:
Avoid Overcharging
Please disconnect the motor from the charger as soon as the green light indicates a full charge. Overcharging can lead to overheating and may pose a fire risk.
Prevent Overheating
To help prevent overheating, ensure the motor is not exposed to high temperatures or direct sunlight for extended periods.
Immediate Action
If you notice any unusual warmth, discoloration, or odors coming from the motor, please disconnect it from the power source and stop using it right away.
Proper Storage
Store the motor in a cool, dry place, away from flammable materials. For best results, keep it within a temperature range of -4°F to 149°F.
Use Approved Chargers
Always use the charger that comes with the motor or an approved replacement. Using incompatible chargers can create safety hazards.
Disposal
Please dispose of lithium-ion batteries according to local regulations. Avoid incinerating or submerging them in water, as this can lead to dangerous reactions.
Additional Notes
To keep your motor in top shape, charge it every six months.
For safety, please ensure that children do not play with the remote or motor.
Liability Disclaimer
While we at Alpha Tubular Motors strive to provide safe and reliable products, we cannot accept liability for any damage or personal injury resulting from improper use, charging, storage, or handling of our motors or their lithium-ion batteries. By using our products, you acknowledge that you have read, understood, and agree to follow these safety guidelines.


